必易微

志无休者,虽难必易

  • 充电器       适配器       工业电源       充电桩         户用储能       工商业储能       逆变器              电池管理系统       储能变流器       通断器       断路器       智能仪表

  • 智能家电

    电动工具            园艺工具            电动助力车            智能照明              智能插座            智能开关

  • 电机驱动                   机器人                   工业无人机                   工业打印机                   变频器                   伺服驱动器 

  • 路由器           交换器           网关           WLAN           光纤终端           机顶盒           智能门锁           可视对讲           安防监控           消防警报

    手机              平板电脑        笔记本        打印机            无人机             智能穿戴        电子玩具

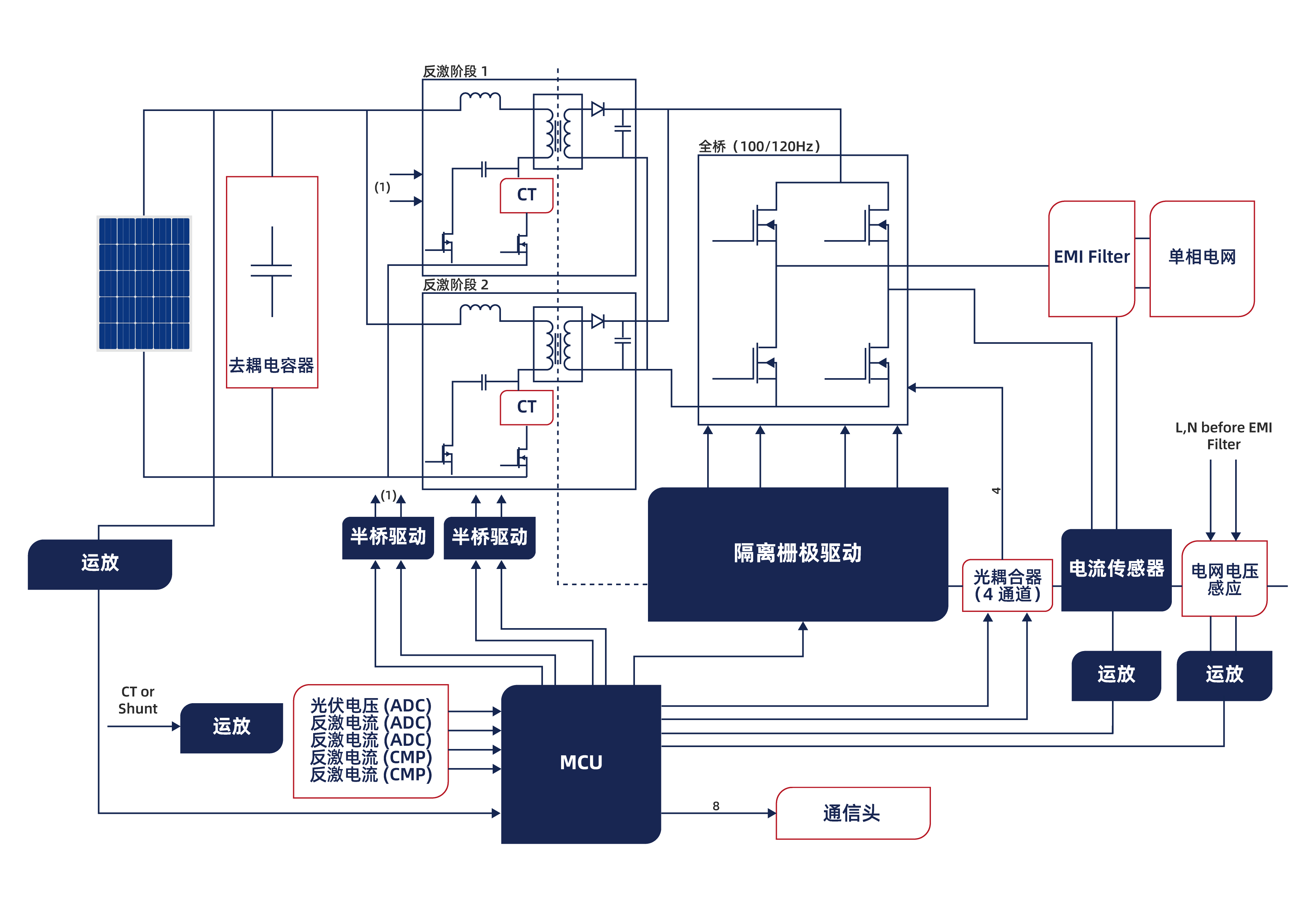
微型逆变器