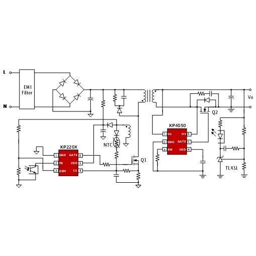
• ­­反激式电源转换

       

       

      非隔离电源转换

       

       

      同步整流器 (SR)

       

       

      功率因数校正器 (PFC)

       

      非对称半桥 (AHB) 控制器

       

      电源滤波器

      降压稳压器

       

       

      升压稳压器

       

      升/降压稳压器

       

      电荷泵

       

       

      非隔离型

       

       

      低噪 LDO

       

       

       

      电流 LDO

      ​​​​​​​车规 LDO

       

       

      USB & Type-C 保护

       

       

    • 电子烟控制芯片

       

       

      升压型充电管理

      ​​​​

      升降压型充电管理

       

       

       

      电荷泵充电管理

       

      锂电保护芯片

       

       

    • 仪表放大器

       

      高速运算放大器

       

      隔离放大器

       

      比较器

       

      数模转换器 (DAC)

       

      模数转换器 (ADC)

       

      电流传感器

       

       

       

       

       

       

       

       

       

       

       

       

       

      磁传感器

       

       

       

       

       

       

       

       

      温度传感器

      离接口

       

      隔离放大器

       

      隔离 ADC

       

      数字隔离器

       

      以太网供电 (PoE)

       

      USB & Type-C 协议

       

         

       

      RS-XXX 收发器

       

      ​​​​​​​​​​​​​​- 霍尔开关 -

    • |

      |

      |

      |

      |

      |

      充电

       

       

       

      适配器

       

       

       

      工业电源

       

       

       

      充电桩

       

       

       

      户用储能

       

       

       

      工商业储能

       

       

       

      逆变器

       

       

       

      电池管理系统

       

       

       

      储能变流器

       

       

      通断器

       

       

       

      断路器

       

       

       

      智能仪表

       

       

       

      |

      |

      |

      |

    • 智能家电

       

       

       

       

       

       

       

      电动工具

       

       

       

      园艺工具

       

       

       

      电动助力车

       

       

       

      智能照明

       

       

       

      智能插座

       

       

       

      智能开关

      |

      |

      |

      |

      |

      |

      |

      |

      |

      |

      |

      |

      |

      |

      |

      |

      |

      |

    • 电机驱动

       

       

       

      机器人

       

       

       

      工业无人机

       

       

       

      工业打印机

       

       

       

      变频器

       

       

       

      伺服驱动器

      |

    • 路由器

       

       

       

      交换器

       

       

       

      网关

       

       

       

      WLAN

       

       

       

      光纤终端

       

       

       

      机顶盒

       

       

       

      智能门锁

       

       

       

      可视对讲

       

       

       

      安防监控

       

       

       

       

       

       

       

       

       

       

      |

      |

      防警报

       

       

       

      手机

       

       

       

      平板电脑

       

       

       

      笔记本

       

       

       

      打印机

       

       

       

      无人机

       

       

       

      智能穿戴

       

       

       

      电子玩具

       

       

       

       

       

       

       

       

       

       

       

       

      |

      |

      |

      |

      |

      |

      |

11 个产品
首页     AC-DC     反激    SSR 控制器