-
-
-
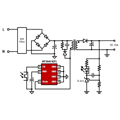
反激式电源转换
非隔离电源转换
同步整流器 (SR)
功率因数校正器 (PFC)
非对称半桥 (AHB) 控制器
电源滤波器
降压稳压器
升压稳压器
升/降压稳压器
电荷泵
非隔离型
低噪 LDO
大电流 LDO
车规 LDO
USB & Type-C 保护
- 继电器驱动 -
- 低压 -
-
电子烟控制芯片
升压型充电管理
升降压型充电管理
电荷泵充电管理
锂电保护芯片
-
电流检测放大器
仪表放大器高速运算放大器
隔离放大器
比较器
数模转换器 (DAC)
模数转换器 (ADC)
电流传感器
磁传感器
温度传感器
隔离接口
隔离放大器
隔离 ADC
数字隔离器
以太网供电 (PoE)
USB & Type-C 协议
RS-XXX 收发器
- 霍尔开关 -
-
-
-
-
-